????????????????????????????????????????????????????????
???????????????????????????????
??????????????? ??????????????????????????????
??????????????????????????????
???????????????????
?????????????????????????????????????????????????????????
???????????????????
???????????????
??????????????????
??????????????????
?????????????????????????????????
廠家(jia)直(zhi)銷(xiao),價(jia)格優惠,歡(huan)迎致電咨(zi)詢(xun)!
銷(xiao)售(shou)熱線(xian):13950155029(百度同號)
我公(gong)司專(zhuan)業(ye)生(sheng)產提供產(chan)品有軟密(mi)封(feng)閘(zha)閥、蝶閥、水利(li)控制閥(fa)、雙偏(pian)心(xin)半(ban)球閥、過(guo)濾器(qi)、止回(hui)閥系(xi)列(lie),襯氟球閥、襯(chen)氟(fu)蝶(die)閥、襯(chen)氟(fu)截(jie)止(zhi)閥系(xi)列(lie),黃銅閥(fa)門(men)系(xi)列(lie),消(xiao)防(fang)閥門(men)系(xi)列(lie)產品(pin)!

| 公稱(cheng)壓(ya)力 | 1.O | 1.6 | 2.5 | |||||||
| 試驗(yan)壓(ya)力 | 殼體強度(du) | 1.5 | 2.4 | 3.75 | ||||||
| 密封(feng)性(xing)能 | 1.1 | 1.76 | 2.75 | |||||||
| 適用介(jie)質 | 產(chan)品(pin)類(lei)型(xing) | 球墨(mo)鑄(zhu)鐵 | ||||||||
| 適(shi)用(yong)介(jie)質(zhi) | 水、水(shui)蒸(zheng)汽(qi)、油(you)品、空(kong)氣 | |||||||||
| 工作(zuo)溫(wen)度 | 密(mi)封面(mian)材質 | 橡(xiang)膠(jiao) | 乙腈(jing)橡(xiang)膠(jiao) | 乙丙橡膠 | 氟(fu)橡(xiang)膠(jiao) | 聚四氟(fu)塑(su)料 | 銅(tong) | 不(bu)銹鋼(gang) | ||
| 工(gong)作溫(wen)度 | ≤60 | ≤80 | ≤250 | ≤250 | ≤200 | ≤200 | ≤200 | |||
| ? | ? | ? | ? | ? | ? | ? | ? | ? | ? | ? |
| 產品類型 | 材質(zhi) | ||||
| 閥體 | 閥(fa)板 | 閥(fa)軸 | 密封面(mian) | ||
| 球(qiu)墨(mo)鑄鐵 | QT450 | 球(qiu)鐵(tie)、碳(tan)鋼、噴涂(tu)或不銹鋼(gang) | 鉻(ge)不(bu)銹鋼(gang) | 不銹鋼 | 橡(xiang)膠(jiao)NBR、丁(ding)晴橡(xiang)膠(jiao)NBR、乙丙(bing)EPDM、氟橡(xiang)膠(jiao)PTFE |
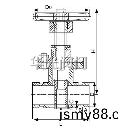
| 公(gong)稱(cheng)通(tong)徑(jing) | 50 | 65 | 80 | 100 | 125 | 150 | 200 | 250 | 300 | 350 | 400 | 450 | 500 | 600 | - | |||
| D | 57 | 60 | 76 | 89 | 108 | 114 | 133 140 | 159 165 | 219 | 273 | 325 | 377 | 426 | 480 | 530 | 630 | SJKD3型 | |
| A1 | 14.5 | 14.5 | 14.5 | 16 | 16 | 16 | 19 | 19 | 19 | 25 | 25 | 25 | 25 | 25 | - | |||
| B1 | 9.5 | 9.5 | 9.5 | 9.5 | 9.5 | 9.5 | 13 | 13 | 13 | 13 | 13 | 13 | 13 | 13 | - | |||
| C | 2.2 | 2.2 | 2.2 | 2.2 | 2.2 | 2.2 | 2.5 | 2.5 | 3.3 | 3.3 | 5.5 | 5.5 | 5.5 | 5.5 | - | |||
|
Z81X ? |
L | 145 | 160 | 170 | 180 | 200 | 240 | 275 | 325 | 355 | - | - | - | - | - | - | ||
| H | 325 | 380 | 425 | 455 | - | 500 | 620 | 750 | 880 | - | - | - | - | - | - | |||
| Do | 180 | 180 | 200 | 200 | - | 240 | 320 | 320 | 400 | - | - | - | - | - | - | |||
| ? | ? | ? | ? | ? | ? | ? | ? | ? | ? | ? | ? | ? | ? | ? | ? | ? | ? | ? |
????????????????????????????????????????????????????????
???????????????????????????????
??????????????? ??????????????????????????????
??????????????????????????????
???????????????????
?????????????????????????????????????????????????????????
???????????????????
???????????????
??????????????????
??????????????????
?????????????????????????????????